HL-3000 - Hydraulic Turbine Vibrator



RECOMMENDED ACCESSORIES

LC-1 - Vibrator Mounting Bracket For Large L&C
SC-2C2 - Safety Cable
6X10.5CH-IN - Channel Iron (Inches)

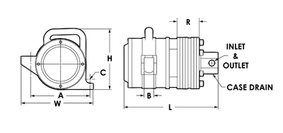
Dimensions

A 7-3/4 in
197 mm
B 1-1/16 in
27 mm
C* 1 in
26 mm
L 11-1/4 in
286 mm
W 8-3/4 in
223 mm
H 8-3/4 in
223 mm
R 2-13/16 in
50 mm
INLET 3/4-16 SAE 8
OUTLET 3/4-16 SAE 8
Case Drain 7/16-20 SAE 4
* Lug Hook Width

Tech Data

Force lbs 3400
Force Newtons 15100
dB 76
VPM 5000
GPM 3.2
Average Running Pressure 1000 PSI
Maximum Inlet Pressure 3000 PSI
Weight 39 lbs

Reliable, Trouble-Free Operation


VIBCO offers a complete line of hydraulic vibrators to suit your needs. Our hydraulic vibrators operate in any position and are not affected by dirty, muddy or wet locations. They can operate on pressures up to 3000 PSI — making VIBCO Hydraulic Vibrators ideal for use with construction equipment, concrete forming equipment and a wide variety of applications.

Delivered On Time... Your Time


VIBCO understands that long lead times cost you money — that's why all of VIBCO's standard products ship the same day or very next day we receive your order. We also make sure that you receive the factory support that you need by having live, friendly customer service agents available to assist you from 7:30am — 8:00pm EST, and 24 hour technical support.

Made In The USA 50 Years


US Flag 

VIBCO Vibrators™ are 100% MADE IN THE USA since 1962.

Top Quality, Fastest Delivery

  • 100% Manufactured in the USA
  • Strict quality standards
  • Available and in-stock
  • Same day or next day shipping
  • Made with pride since 1962

Not Sure? How can we help you?

Call UsOn the Job PhotosVIBCO TV 

Customer Testimonials

CALL NOW: 800-633-0032